EEE World, Department of EEE, ADBU
School of Technology, Assam Don Bosco University (tinyurl.com/eee-adbu)
Pages
Home
Updates
EEE World
EEE Forum
Journal
The basics of capacitor banks protection
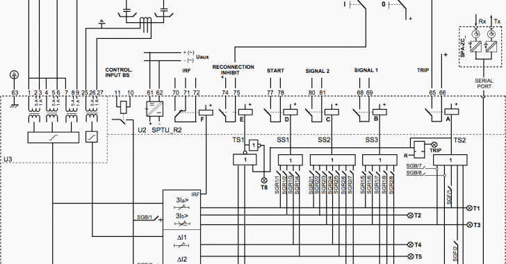
As you already know, capacitor banks are normally used in medium voltage networks to generate reactive power to industries etc. Capacitor banks are, almost always, equipped with a series reactors to limit...
Read more
By EEE, ADBU
Newer Post
Older Post
Home